nova电源控制按钮开关KAN-L5排插常开按压复位按键带锁大电流开关

商品描述
产品额定电流电压10(8)A250VACT120.15A(4)250VACT105
承载功率最大2500W,电气寿命50000次,
产品安规认证有:CQC,UL,CUL,VDE,TUV,Kc认证,欢迎索取证书。
产品功能有自锁(带锁)或不带锁(自复位),拍买时请联系客服确认好。
产品广泛用于小家电类:例:吸尘器,暖风机,冷风机,油炸锅,温控器,挂烫机,电源插座等等电源开关。
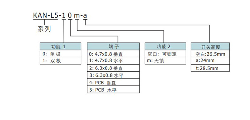
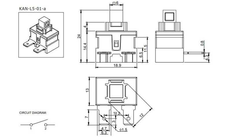
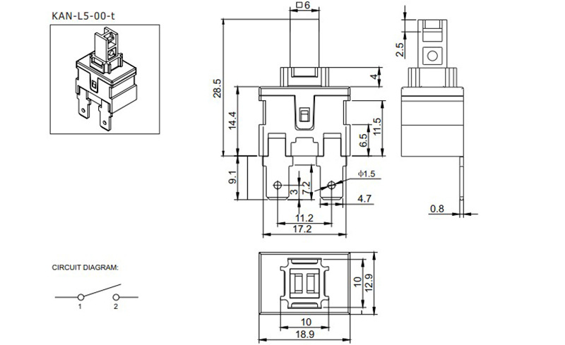
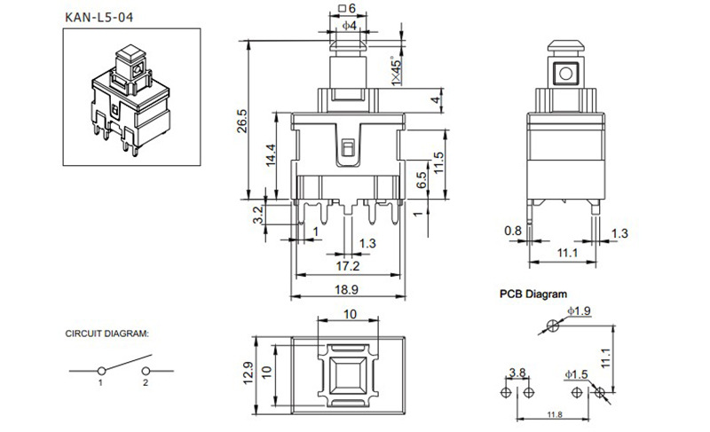
产品属于选型产品,更多参数详情选型见以下图表:




其它KAN-L5系列选型简易规格图




产品实物大图






通过认证 
