手机版
购物车
(
0
)
机电商城
资源共享
招投标信息
供应商
行业资讯
行业视频
行业展会
人才招聘
求购采购
机电百科
首页
机电商城
资源共享
招投标信息
供应商
行业资讯
行业视频
行业展会
人才招聘
求购采购
机电百科
首页
>
机电商城
>
2F 电气设备
>
控制电气
>
开关类元件
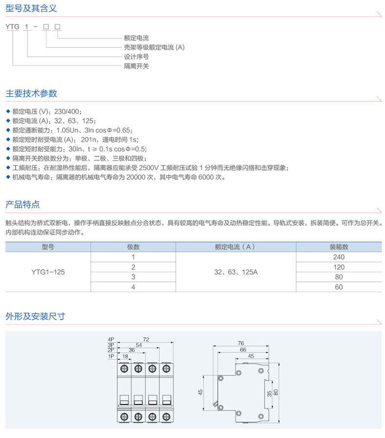
延泰厂家YTG1小型断路器1P2P3P4P隔离开关63a100a空气开关DZ47 10个
价格
¥
32.00
运费
:12.00
评价
已有
0
条评价
人气
已有
250
人关注
数量
+
-
库存
9166
个
商家资料
浙江延泰电气有限公司
通过认证
[诚信档案]
已缴纳
0.00
元保证金
联系人
陈佳伟(先生)
会员
[
当前离线
]
[加为商友]
[发送信件]
电话
地区
浙江-温州市
地址
中国 浙江省温州市乐清市经济开发区
商品详情
评价详情(0)
延泰厂家YTG1小型断路器1P2P3P4P隔离开关63a100a空气开关DZ47
商品描述
举报
0
收藏
0
分享
1
正在载入评价详细...