直流电动机
商品
评价
详情
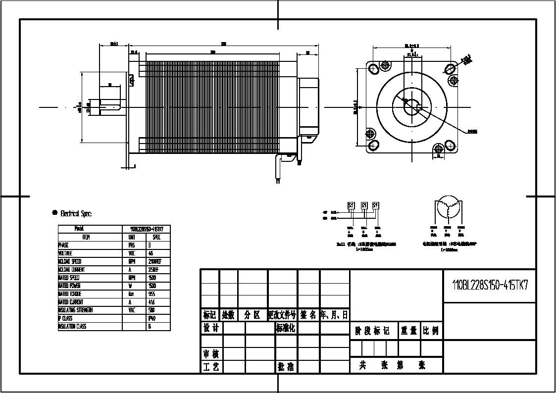
厂家直销新款110无刷直流电机大扭矩10N.M48V1500转大电流41A 1台
品牌
未填写
运费
不支持货到付款
说明
说明
数量
-
+
库存
1000
台
6
全部商品
5
综合评分
查看分类
进店看看
图文详情
交易记录
厂家直销新款110无刷直流电机大扭矩10N.M48V1500转大电流41A
商品描述
交易记录
0
点赞
0
反对
0
举报
0
收藏
0
评论
0
分享
海报
分享到:
相关推荐
同类热销
:12.00
假一赔十 | 7天无忧退货 | 自营发货
取消
立刻购买
加入购物车
分享好友
机电商城首页
频道列表
扫一扫访问当前网页
复制链接
二维码
短信
邮件
关闭
/
5